万向节联轴器生产厂家,连一传动系统公司banner

产品详情

  • 万向节联轴器产品图片
  • 万向节联轴器产品图片
  • 万向节联轴器产品图片
  • 万向节联轴器产品图片
  • 万向节联轴器产品图片
万向节联轴器产品图片 万向节联轴器产品图片 万向节联轴器产品图片 万向节联轴器产品图片 万向节联轴器产品图片

G·GD 万向节联轴器 - 十字万向节联轴器

  • 适用各种机械场合,最高转速可达1000r/min
  • G型为单节式,GD型为双节式
  • 每节最大转动角度为45°
  • 滑动轴承、免维护
  • 成品孔公差为H7
  • 可根据需求,开键槽、六角孔和方孔
  • 广泛应用于橡胶设备、建材设备、服装设备、机器人、固体废物处理设备等场合
  • 联系我们

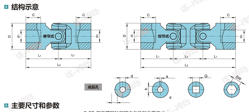
万向节联轴器结构示意万向节联轴器主要尺寸和参数

产品中心

联系我们

CONTACT US

上海连一传动系统有限公司

电话:400-076-3088

销售:13916116969

           13801755989

邮箱:51062628@163.com

网址:www.lianyi666.com